V4046C1047
Product Description
The V4046C and V8046C Magnetic (solenoid) Valves provide On-Off control of natural or LP gas flow for pilot burners in commercial and industrial applications.
FEATURES• Normally closed valves which open immediately when energized.• V4046C is for line voltage applications; V8046C is for 24 Vac applications.• Provides on-off control of manufactured, Liquefied Petroleum (LP), and natural gases with high sulfur content.• Used with pilot burners in industrial applications.• All models close in one second (maximum) on power failure.• Heavily loaded spring plunger maintains valve seating when the coil is de-energized, permitting the valve to be mounted in any position.• Valve may be pipe-mounted or mounted on bracket support furnished by the installer.• Powerhead assembly can be rotated 360 angular degrees.• Solenoid coil is field-replaceable without removing the valve body from the piping connection.SPECIFICATIONS
| Types of Gas | Suitable for all domestic gases including highsulfur content LP gas. | 
| Valve Material | Aluminum | 
| Valve Pattern | Straight-through | 
| Valve Action on Power Failure | All models close in onesecond maximum. | 
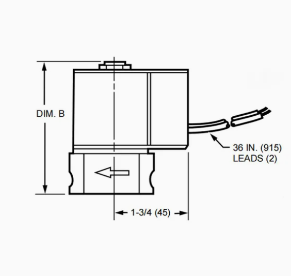
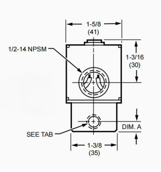
| Mounting | Can be mounted in any position. Mounts directly in pipe line oron a support bracket. See Fig. 2 for tapped holes providedin bottom of valve body. Conduit outlet on powerhead canbe rotated through 360 degrees with respect to valve body. | 
| Wiring Connection | Two 36-in. (915 mm) leadwires; 1/2 in.conduit bushing. | 
| Ambient Temperature Range | 40°F to +125°F (-40°C to+54°C). | 
| Approvals | Underwriters Laboratories, Inc. Listed: File NO. MH1639, V3,S3; Guide No. YIOZ; V4046C, V8046C for gas.Factory Mutual Listed: V4046C, V8046C for gas.CSA 158158-250000605.8, Guide Numbers C3371-03, 83.(60 Hz models only). | 
Model Specifications
| Model | Pipe Size (in.) | Thread | PressureRatinga | Gas Flow | Gas HeatCapacitya | OperationEnergized | Voltages(60 Hz) | |||||||
| psi | kPa | cfhb | m/hr | btuhc | ||||||||||
| V4046C | 1/8 | 1/8 - 27 NPT | 10 | 69 | 20 | 0.57 | 20,000 | OpensImmediately | 120 | |||||
| 1/4 Small Body | 1/4 - 18 NPT | 20 | 0.57 | 20,000 | 120 | |||||||||
| 1/4 Large Body | 1/4 - 18 NPT | 55 | 1.56 | 55.000 | 120 | |||||||||
| 3/8 | 3/8 - 18 NPT | 67 | 1.90 | 67,700 | 120 | |||||||||
| 3/8 | 3/8 - 18 NPT | 67 | 1.90 | 67,700 | 208 | |||||||||
| V8046C | 1/8 | 1/8 - 27 NPT | 20 | 0.57 | 20,000 | 24 | ||||||||
| 1/4 Small Body | 1/4 - 18 NPT | 20 | 0.57 | 20,000 | 24 | |||||||||
| 1/4 Large Body | 1/4 - 18 NPT | 55 | 1.56 | 55,000 | 24 | |||||||||
| 3/8 | 3/8 - 18 NPT | 67 | 1.90 | 67,700 | 24 | |||||||||
a 1/2 psi in CSA rating.
b See body sizes, Fig. 2. 55 cfh (1.56 cmh) is for large body valve with 1/4-18 NPT threads; 67 cfh (1.90 cmh) is for large body
valve with 3/8-18 NPT threads.
c Natural gas, 1000 btu/cu ft measured at one inch pressure drop, 0.64 specific gravity. See Gas Capacity Conversion Factors.
Table 2. Coil VA Ratings
| Model | 24 Vac, 60 Hz | 120 Vac, 60Hz | 208 Vac, 60Hz | ||||
| V4046C | - | 13.8 | 13.7 | ||||
| V8046C | 14.1 | - | - | ||||
Table 3 Coil Assemblies for V4046C, V8046C Valves
| Part Number | Used On | ||||||
| 116671A | V4046C; 120 Vac, 60 Hz | ||||||
| 116782A | V4046C; 208 Vac, 60 Hz | ||||||
| 11668A | V8046C; 24 Vac, 60 Hz | 
Gas Valve Sizing
1. Check the burner nameplate for:
a. the type of gas used, and
b. the gas flow capacity. The capacity will be listed in British thermal units per hour (Btuh)) or in cubic feet per hour (cfh).
2. Contact the local gas utility for information regarding:
a. the specific gravity (sp gr) and
b. the Btu per cubic foot (Btucf) for the type of gas used.
3. Find the capacity in cfh. If the capacity is listed in Btu, convert to cfh using the following formula: Capacity in cfh = Btuh (burner nameplate) Btu/cu ft (gas utility)
4. For gases with specific gravity other than 0.64, multiply the burner cfh using the proper conversion factor in Table 4.
Table 4 Gas Conversion Factors
| Type of Gas | sp gr (average) | Multiply cfh by | |||
| Manufactured | 0.60 | 0.968 | |||
| Mixed | 0.70 | 1.046 | |||
| LP-Propane | 1.53 | 1.546 | |||
| LP-Butane | 1.98 | 1.759 | 


BNSENS (Nanjing) Sensor Technology Co., Ltd. is located in Nanjing, China. It is a high-tech enterprise specializing in the development, manufacturing and trade of sensor products. The company has brought together a group of outstanding technical experts in various fields such as automation, electronics, machinery and computers. All employees of the company have college degrees or above. It adopts the world-class management and operation model and 6 sigma quality system. At present, the company's main products are pressure, liquid level, flow, current, switches, etc. The company's users are all over the country, and some products have been exported to Japan, South Korea and Southeast Asia.
Since its inception, the company has been based on the technical accumulation and management standards of American sensor giants. It is composed of senior engineers and managers who have served in multinational companies for many years, and has rapidly developed various pressure sensors, transmitters, liquid level, flow meters, pressure switches, digital meters, current sensors, proximity switches and other products. After years of unremitting efforts, it has become one of the leading suppliers in the domestic automation industry. Our pressure transmitters can achieve an accuracy of more than 3/10, 000. The products have been widely used in oil, natural gas, electricity, chemical industry, metallurgy, building materials, food, light industry, environmental protection, aerospace, tap water, municipal and other industries.
It is a sensor science and technology innovation company that masters the core technology of MEMS chips. The company has a research and development center in Minnesota, USA. The leader is Dr. Pan Hanjin, a famous scientist in the sensor industry. Dr. Pan Hanjin has been deeply involved in the sensor industry for more than 20 years and is an expert in the sensor industry.
The company has a number of ASIC chips independently developed, which are widely used in industrial, automotive, home appliance and other markets.
BNSENS (Nanjing) Sensing Technology Co., Ltd. is a strategic partner of Honeywell in China. The two parties proposed a plan of East serving East and jointly developed several sensors specifically for the Chinese market. These sensors will be widely used in intelligent manufacturing, Internet of Things, artificial intelligence, and smart home fields. These sensors include: Magnetic sensors, temperature sensors, humidity sensors, force sensors, fire water pressure sensors, equipment vibration sensors, human body status monitoring sensors, motion sensors, etc.
History of BNSENS Company:
BNSENS is a company focusing on sensors, instruments, and electronic components. We are a young company, founded in 1999, just 25 years old, and we are still growing.
1999: The company's first pressure sensor was launched, mainly for the petroleum and petrochemical industries.
2002: The company expanded its product line and launched temperature sensors
2005: Started producing high-precision pressure sensors for the test and measurement market
2006: Became an official authorized agent of Honeywell
2009: Introduced the Six Sigma management system, and the product qualification rate was greatly improved
2010: Became a supplier of Emerson
2011: We started selling SICK sensors
2014: Introduced the sensor production line from Germany, developed more industrial control sensors, and cooperated with TSMC
2015: Cooperated with Siemens in Vietnam
2017: The factory moved to Nanjing High-tech Zone
2019: Became a national high-tech enterprise in China
2023: We started selling products from Infineon and Rohm
BNSENS, The Future Starts Here.










