SS59ET
| Tech Specifications | |
| Description | Product Attribute |
| Manufacturer | Honeywell |
| Product Category | Board Mount Hall Effect / Magnetic Sensors |
| Type | Position Sensor |
| Operating Supply Current | 10 mA |
| Maximum Output Current | 10 mA |
| Operating Point Min/Max | - 1000 G to 1000 G |
| Operating Supply Voltage | 6 V |
| Minimum Operating Temperature | - 40 C |
| Maximum Operating Temperature | + 100 C |
| Mounting Style | SMD/SMT |
| Package / Case | SOT-89-3 |
| Packaging | Reel |
| Product Type | Board Mount Hall Effect / Magnetic Sensors |
| Subcategory | Sensors |
Product Description
The SS39ET/SS49E/SS59ET Series low-cost linear Hall-effect sensor ICs are small, versatile devices that are operated by the magnetic field from a permanent magnet or an electromagnet. They are designed and manufactured for cost competitiveness.
The linear sourcing output voltage is set by the supply voltage and varies in proportion to the strength of the magnetic field. Low voltage capability as low as 2.7 Vdc and reduced current consumption of only 6 mA typically at 5 Vdc help make this product energy efficient.
The integrated circuitry features low noise output, which makes it unnecessary to use external filtering. These sensor ICs Interface with many electrical components without buffering. They also include thin film resistors to provide increased temperature stability and accuracy.
These linear Hall-effect sensor ICs have an operating temperature range of -40 °C to 100°C [-40 °F to 212 °F], appropriate for industrial and medical environments. Thermal balancing allows for stable operation over the full temperature range.
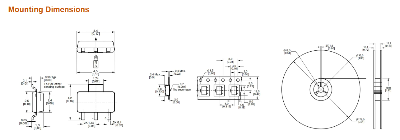
They are available in three package styles, all of which may be supplied on tape for automated, lower-cost assembly:
• SOT-23: SS39ET. This small footprint takes up less space on the PC board, typically allowing for more components.
• Flat TO-92-style, with different lead configurations: SS49E, SS49E-L, SS49E-F.
• SOT-89B: SS59ET.
Key Features
•Miniature and subminiature construction: Designed for compact designs with tight space requirements
•Energy efficient: Low current consumption of 6 mA at 5 Vdc
• Easy PC board interface: Single current sourcing output for common electronic circuits
• Circuit design flexibility: Voltage range of 2.7 Vdc to 6.5 Vdc• Low noise output: Virtually eliminates the need for filtering
• Stable output: Thin film resistors improve accuracy
• Wide range of environments: Temperature range of -40 °C to 100 °C [-40 °F to 212 °F]
• Application flexibility: Responds to either positive or negative Gauss
Potential Applications
Industrial
• Basic current sensing for motor load monitoring, detection
• Anti-tampering magnetic field sensor in smart remote utility meters
• Pump control in heavy-duty equipment and household appliances
• Simple linear or angular displacement sensing
• Handlebar/throttle position sensing in e-bikes and scooters
• Current sensing in appliances
• Speed adjustment trigger in tools and appliances
• Magnetic code reading in safes, security and building access control systems
MEDICAL• Position sensing in infusion pumps
Operating Characteristics (Vs = 5.0 V, TA = -40 °C to 85 °C [-40 °F to 185 °F], except where noted.)
| Characteristic | Condition | Min. | Typ. | Max. | unit | ||||||
| Output type | linear, sourcing | - | |||||||||
| Magnetics type | analog | - | |||||||||
| Supply voltage | - | 2.7 | - | 6.5 | Vdc | ||||||
| Supply current | 25 °C [77 °F] | - | 6 | 10 | mA | ||||||
| Output voltage | - | 1.0 | 1.4 | 1.75 | mV/Gauss | ||||||
| Output current | Vs > 3.0 V | 1.0 | 1.5 | 1.5 | mA | ||||||
| Null | 0 Gauss, 25 °C | 2.25 | 2.50 | 2.75 | Vdc | ||||||
| Output voltage span | - | 1.05 to (Vs - 1.05) | 0.95 to (Vs - 0.95) | - | Vdc | ||||||
| Magnetic range | - | ±650 | ±1000 | - | Gauss | ||||||
| Sensitivity | 25 °C | 1.0 | 1.4 | 1.75 | mV/Gauss | ||||||
| Operating temperature | - | -40 [-40] | - | 100 [212] | °C [°F] | ||||||
| Temperature error: | |||||||||||
| Null driftSensitivity drift | -≥25 °C | -0.10-0.15 | -- | 0.100.05 | %/°C | ||||||
| <25 °C | -0.04 | - | 0.185 | ||||||||
| Linearity | - | - | -0.7 | - | % of span | ||||||
| Response time | - | - | 3 | - | μs | ||||||
Absolute Maximum ratings
| Characteristic | Parameter | ||||||||||
| Supply voltage (Vs) | -5.0 Vdc to 8.0 Vdc | ||||||||||
| Output current | 10 mA | ||||||||||
| Storage temperature | -55 °C to 165 °C [-67 °F to 329 F°] | ||||||||||


Order Guide
| Catalog Listing | Description |
| SS39ET | Linear Hall-effect sensor IC,SOT-23, tape and reel packaging(3000 units per reel) |
| SS49E | Linear Hall-effect sensor IC,flat TO-92-style, straight leads,14,99 mm [0.59 in] lead length,1,30 mm [0.05 in] spacing, bulkpackaging (1000 units per bag) |
| SS49E-F | Linear Hall-effect sensor IC,flat TO-92-style, formed leads,14,99 mm [0.59 in] lead length,2,54 mm [0.10 in] spacing, bulkpackaging (1000 units per bag) |
| SS49E-L | Linear Hall-effect sensor IC,flat TO-92-style, straight leads,18,67 mm [0.75 in] lead length,1,30 mm [0.05 in] spacing, bulkpackaging (1000 units per bag) |
| SS59ET | Linear Hall-effect sensor IC,SOT-89B, tape and reel packaging(1000 units per reel) |
| SS49E-T3 | Linear Hall-effect sensor IC,flat TO-92-style, tape-in-box(ammopack) packaging, straightleads (5000 units per box) |
| SS49E-T2 | Linear Hall-effect sensor IC,flat TO-92-style, tape-in-box(ammopack) packaging, formedleads (5000 units per box) |

BNSENS (Nanjing) Sensor Technology Co., Ltd. is located in Nanjing, China. It is a high-tech enterprise specializing in the development, manufacturing and trade of sensor products. The company has brought together a group of outstanding technical experts in various fields such as automation, electronics, machinery and computers. All employees of the company have college degrees or above. It adopts the world-class management and operation model and 6 sigma quality system.
At present, the company's main products are pressure, liquid level, flow, current, switches, etc. The company's users are all over the country, and some products have been exported to Japan, South Korea and Southeast Asia.Since its inception, the company has been based on the technical accumulation and management standards of American sensor giants. It is composed of senior engineers and managers who have served in multinational companies for many years, and has rapidly developed various pressure sensors, transmitters, liquid level, flow meters, pressure switches, digital meters, current sensors, proximity switches and other products. After years of unremitting efforts, it has become one of the leading suppliers in the domestic automation industry.
Our pressure transmitters can achieve an accuracy of more than 3/10, 000. The products have been widely used in oil, natural gas, electricity, chemical industry, metallurgy, building materials, food, light industry, environmental protection, aerospace, tap water, municipal and other industries.It is a sensor science and technology innovation company that masters the core technology of MEMS chips. The company has a research and development center in Minnesota, USA. The leader is Dr. Pan Hanjin, a famous scientist in the sensor industry. Dr. Pan Hanjin has been deeply involved in the sensor industry for more than 20 years and is an expert in the sensor industry.
The company has a number of ASIC chips independently developed, which are widely used in industrial, automotive, home appliance and other markets.BNSENS (Nanjing) Sensing Technology Co., Ltd. is a strategic partner of Honeywell in China. The two parties proposed a plan of East serving East and jointly developed several sensors specifically for the Chinese market. These sensors will be widely used in intelligent manufacturing, Internet of Things, artificial intelligence, and smart home fields.
These sensors include: Magnetic sensors, temperature sensors, humidity sensors, force sensors, fire water pressure sensors, equipment vibration sensors, human body status monitoring sensors, motion sensors, etc
.History of BNSENS Company:BNSENS is a company focusing on sensors, instruments, and electronic components. We are a young company, founded in 1999, just 25 years old, and we are still growing.1999: The company's first pressure sensor was launched, mainly for the petroleum and petrochemical industries.2002: The company expanded its product line and launched temperature sensors2005: Started producing high-precision pressure sensors for the test and measurement market2006: Became an official authorized agent of Honeywell2009: Introduced the Six Sigma management system, and the product qualification rate was greatly improved2010: Became a supplier of Emerson2011: We started selling SICK sensors2014: Introduced the sensor production line from Germany, developed more industrial control sensors, and cooperated with TSMC2015: Cooperated with Siemens in Vietnam2017: The factory moved to Nanjing High-tech Zone2019: Became a national high-tech enterprise in China2023: We started selling products from Infineon and Rohm
BNSENS, The Future Starts Here.









