NOM16H0200P
Product Description
NOM...H... series electric actuators for butterfly valves are suitable for V8 and V9 series,which are used in water systems such as buildings/public buildings/urban pipe networks control, it's possible to offer ON-OFF control and modulating control as option,and 4~20mA ,0~10V/2-10V signals are available for the modulating control.
TECHNICAL DATA
| Electrical data | ||
| Power Supply | AC220V±10% 50/60HZ | |
| Limit switch | 2 ×SPDT ,250VAC 5A | |
| Auxiliary switch | 2 ×SPDT ,250VAC 5A | |
| Cable entries | 2 × M20*1.5 | |
| ON-OFF Type (NOM...) | Input signal:ON-OFF;Output signal:ON-OFF+Dry contact | |
| Modulating Type (NOM... P) | Input signal:4~20mA(Default),0~10V/2~10V/0~20mA adjustableOutput signal: Dry contact+ 4~20mA(Default),0~10V/2~10V/0~20mA adjustable | |
| Functional data | ||
| Torque range | 50-5000Nm | |
| Angle of rotation | 90° | |
| Manual operation | Handwheel | |
| Mounting base | ISO5211 standard | |
| Position indicator | 3D indicator | |
| Safety | ||
| Degree of protection | IP67,(IP68 as option) | |
| CE | EMC:2014/30/EULVD: 2014/35/EU | |
| Ambient temperature | -30ºC~ 65° C | |
| Thermal protection | Built-in thermal protection starting 125° C±5° C | |
| Status of power Lost | Stop | |
| Status of signal Lost | 4~20mA/2~10V:Fully open/Fully closed adjustable(Default:Stop)0~10V:Fully closed | |
| Double anti-condensationprotection | Heater AC220V,5WAnti-condensation Vent plug | |
| counter unit | Built-in counter unit to record the running times (200Nm-5000Nm) | |

Matching table of butterfly valve and Electric actuator (Close-off pressure of below items:1000kpa)
| Size | ON/OFF | Modulating | Actuator Torque Nm | Runningtime(50Hz) | MotorConsumption(VA) | Heater(W) | |
| DN50 | NOM16H0050 | NOM16H0050P | 50 | 20 | 48 | 5 | |
| DN65 | NOM16H0050 | NOM16H0050P | 50 | 20 | 48 | 5 | |
| DN80 | NOM16H0050 | NOM16H0050P | 50 | 20 | 48 | 5 | |
| DN100 | NOM16H0050 | NOM16H0050P | 50 | 20 | 48 | 5 | |
| DN125 | NOM16H0080 | NOM16H0080P | 80 | 30 | 48 | 5 | |
| DN150 | NOM16H0200 | NOM16H0200P | 200 | 30 | 92 | 5 | |
| DN200 | NOM16H0200 | NOM16H0200P | 200 | 30 | 92 | 5 | |
| DN250 | NOM16H0400 | NOM16H0400P | 400 | 30 | 136 | 5 | |
| DN300 | NOM16H0400 | NOM16H0400P | 400 | 30 | 136 | 5 | |
| DN350 | NOM16H1000B | NOM16H1000BP | 1000 | 54 | 220 | 5 | |
| DN400 | NOM16H2000 | NOM16H2000P | 2000 | 70 | 286 | 5 | |
| DN450 | NOM16H2000B | NOM16H2000BP | 2000 | 70 | 286 | 5 | |
| DN500 | NOM16H4000B | NOM16H4000BP | 4000 | 140 | 286 | 5 | |
| DN600 | NOM16H4000B | NOM16H4000BP | 4000 | 140 | 286 | 5 | |

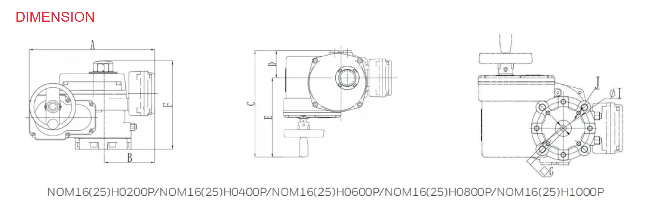
| Size | Dimension(mm) | |||||||
| A | B | C | D | E | F | Weight(Kg) | ||
| NOM16(25)H0050 | 166 | 52 | 236 | 66 | 170 | 180 | 3.3 | |
| NOM16(25)H0080 | 166 | 52 | 236 | 66 | 170 | 180 | 3.5 | |
| NOM16(25)H0200 | 243 | 84 | 342 | 82 | 260 | 214 | 10 | |
| NOM16(25)H0400 | 243 | 84 | 342 | 82 | 260 | 214 | 10.5 | |
| NOM16(25)H0600 | 243 | 84 | 342 | 82 | 260 | 214 | 11 | |
| NOM16(25)H0800 | 265 | 90 | 355 | 86 | 269 | 239 | 15.5 | |
| NOM16(25)H1000(B) | 265 | 90 | 355 | 86 | 269 | 239 | 16 | |
| NOM16(25)H2000(B) | 380 | 241 | 406 | 137 | 269 | 420 | 52 | |
| NOM16(25)H4000(B) | 380 | 241 | 406 | 137 | 269 | 420 | 55 | |
| NOM16(25)H5000 | 380 | 241 | 406 | 137 | 269 | 420 | 57 | |
| NOM16(25)H0050P | 234 | 121 | 236 | 66 | 170 | 180 | 4.5 | |
| NOM16(25)H0080P | 234 | 121 | 236 | 66 | 170 | 180 | 4.7 | |
| NOM16(25)H0200P | 303 | 132 | 342 | 82 | 260 | 214 | 11.2 | |
| NOM16(25)H0400P | 303 | 132 | 342 | 82 | 260 | 214 | 11.7 | |
| NOM16(25)H0600P | 303 | 132 | 342 | 82 | 260 | 214 | 12.2 | |
| NOM16(25)H0800P | 343 | 143 | 355 | 86 | 269 | 239 | 16.7 | |
| NOM16(25)H1000P(B) | 343 | 143 | 355 | 86 | 269 | 239 | 17.2 | |
| NOM16(25)H2000P(B) | 420 | 241 | 406 | 137 | 269 | 425 | 53.2 | |
| NOM16(25)H4000P(B) | 420 | 241 | 406 | 137 | 269 | 425 | 56.2 | |
| NOM16(25)H5000P | 420 | 241 | 406 | 137 | 269 | 425 | 58.2 | |


BNSENS (Nanjing) Sensor Technology Co., Ltd. is located in Nanjing, China. It is a high-tech enterprise specializing in the development, manufacturing and trade of sensor products. The company has brought together a group of outstanding technical experts in various fields such as automation, electronics, machinery and computers. All employees of the company have college degrees or above. It adopts the world-class management and operation model and 6 sigma quality system. At present, the company's main products are pressure, liquid level, flow, current, switches, etc. The company's users are all over the country, and some products have been exported to Japan, South Korea and Southeast Asia.
Since its inception, the company has been based on the technical accumulation and management standards of American sensor giants. It is composed of senior engineers and managers who have served in multinational companies for many years, and has rapidly developed various pressure sensors, transmitters, liquid level, flow meters, pressure switches, digital meters, current sensors, proximity switches and other products. After years of unremitting efforts, it has become one of the leading suppliers in the domestic automation industry. Our pressure transmitters can achieve an accuracy of more than 3/10, 000. The products have been widely used in oil, natural gas, electricity, chemical industry, metallurgy, building materials, food, light industry, environmental protection, aerospace, tap water, municipal and other industries.
It is a sensor science and technology innovation company that masters the core technology of MEMS chips. The company has a research and development center in Minnesota, USA. The leader is Dr. Pan Hanjin, a famous scientist in the sensor industry. Dr. Pan Hanjin has been deeply involved in the sensor industry for more than 20 years and is an expert in the sensor industry.
The company has a number of ASIC chips independently developed, which are widely used in industrial, automotive, home appliance and other markets.
BNSENS (Nanjing) Sensing Technology Co., Ltd. is a strategic partner of Honeywell in China. The two parties proposed a plan of East serving East and jointly developed several sensors specifically for the Chinese market. These sensors will be widely used in intelligent manufacturing, Internet of Things, artificial intelligence, and smart home fields. These sensors include: Magnetic sensors, temperature sensors, humidity sensors, force sensors, fire water pressure sensors, equipment vibration sensors, human body status monitoring sensors, motion sensors, etc.
History of BNSENS Company:
BNSENS is a company focusing on sensors, instruments, and electronic components. We are a young company, founded in 1999, just 25 years old, and we are still growing.
1999: The company's first pressure sensor was launched, mainly for the petroleum and petrochemical industries.
2002: The company expanded its product line and launched temperature sensors
2005: Started producing high-precision pressure sensors for the test and measurement market
2006: Became an official authorized agent of Honeywell
2009: Introduced the Six Sigma management system, and the product qualification rate was greatly improved
2010: Became a supplier of Emerson
2011: We started selling SICK sensors
2014: Introduced the sensor production line from Germany, developed more industrial control sensors, and cooperated with TSMC
2015: Cooperated with Siemens in Vietnam
2017: The factory moved to Nanjing High-tech Zone
2019: Became a national high-tech enterprise in China
2023: We started selling products from Infineon and Rohm
BNSENS, The Future Starts Here.










