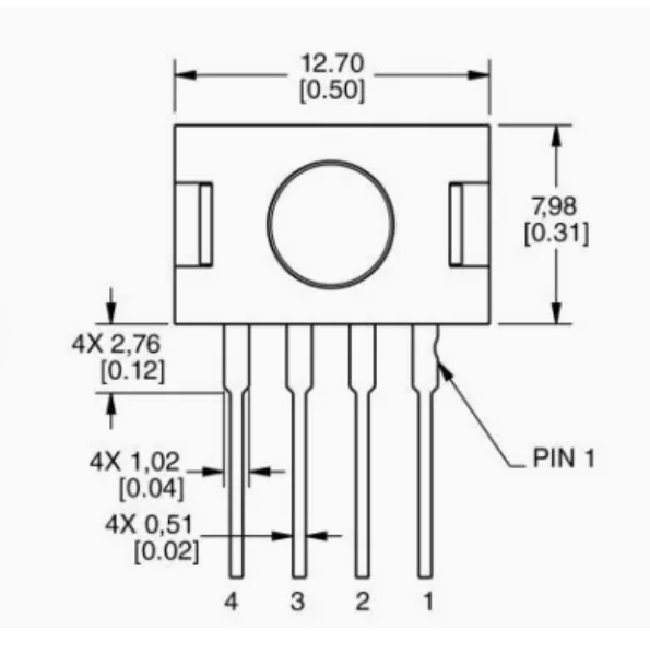
FSG020WNPB
Product Description
The FSG Series Force Sensor provides precise, reliable force sensing performance in a compact commercial-grade package. The sensor features a proven sensing technology that utilizes a specialized piezoresistive micro-machined silicon sensing element. The low power, unamplified, noncompensated Wheatstone bridge circuit design provides inherently stable mV outputs over the 5 N, 10 N, 15 N and 20 N force ranges.Force sensors operate on the principle that the resistance of silicon-implanted piezoresistors will increase when the resistors flex under any applied force. The sensor concentrates force from the application, through the stainless steel plunger, directly to the silicon-sensing element. The amount of resistance changes in proportion to the amount of force being applied. This change in circuit resistance results in a corresponding mV output level change.
The sensor package design incorporates patented modular construction. The use of innovative elastomeric technology and engineered molded plastics results in overforce capacities of up to three times the rated force.The stainless steel plunger provides excellent mechanical stability and is adaptable to a variety of applications. Various electric interconnects can accept prewired connectors, printed circuit board mounting, and surface mounting. The unique sensor design also provides a variety of mounting options that include mounting brackets.
FEATURES AND BENEFITS• Extremely low deflection (approx. 30 µm typical at Full Scale) helps reduce measurement error• Low repeatability error (±0.2% span) improves overall system accuracy• Low linearity error (±0.5% span) improves system accuracy over the entire force range• Low off-center loading errors improves system accuracy due to mechanical misalignment• Resolution to 0.0098 N improves customer's system accuracy• Fast response time allows system to make faster decisions which may improve system accuracy• Low power consumption allows use in battery applications• High ESD resistance of 8 kV) reduces special handling during assemblyPOTENTIAL APPLICATIONSMedical• Infusion pumps• Ambulatory non-invasive pumps• Occlusion detection• Kidney dialysis machines• Enteral pumpsIndustrial• Load and compression sensing• Variable tension control• Robotic end-effectors• Wire bonding equipment
Table 1. Performance Characteristics (At 10 ±0.01 Vdc, 25 °C [77 °F].) 1
| Characteristic | Unit | FSG005WNPB | FSG010WNPB | FSG015WNPB | FSG020WNPB | ||||||||
| Min. | Typ. | Max. | Min. | Typ. | Max. | Min. | Typ. | Max. | Min. | Typ. | Max. | ||
| Force sensing range | N | 0 to 5 | 0 to 10 | 0 to 15 | 0 to 20 | ||||||||
| Excitation2 | Vdc | 3.3 | 10 | 12.5 | 3.3 | 10 | 12.5 | 3.3 | 10 | 12.5 | 3.3 | 10 | 12.5 |
| Null offset3 | mV | -30 | 0 | +30 | -30 | 0 | +30 | -30 | 0 | +30 | -30 | 0 | +30 |
| Null shift4(25 to 0°, 25 to 50° C) | mV | - | ±0.5 | - | - | ±0.5 | - | - | ±0.5 | - | - | ±0.5 | - |
| Span5 | mV | 310 | 360 | 395 | 310 | 360 | 395 | 310 | 360 | 395 | 310 | 360 | 395 |
| Linearity (BFSL)6 | % span | - | ±0.5 | - | - | ±0.5 | - | - | ±0.5 | - | - | ±0.5 | - |
| Sensitivity7 | mV/V/N | 6.6 | 7.2 | 7.8 | 3.3 | 3.6 | 3.9 | 2.2 | 2.4 | 2.6 | 1.65 | 1.8 | 1.95 |
| Sensitivity shift8(25 °C to 0°, 25 °C to 50 °C) | % span | - | ±5.0 | - | - | ±5.0 | - | - | ±5.0 | - | - | ±5.0 | - |
| Repeatability9 | % span | - | ±0.2 | - | - | ±0.2 | - | - | ±0.2 | - | - | ±0.2 | - |
| Response time(10 %FS to 90 %FS) | ms | - | 0.1 | 0.5 | - | 0.1 | 0.5 | - | 0.1 | 0.5 | - | 0.1 | 0.5 |
| Input resistance | kΩ | 4.0 | 5.0 | 6.0 | 4.0 | 5.0 | 6.0 | 4.0 | 5.0 | 6.0 | 4.0 | 5.0 | 6.0 |
| Output resistance | kΩ | 4.0 | 5.0 | 6.0 | 4.0 | 5.0 | 6.0 | 4.0 | 5.0 | 6.0 | 4.0 | 5.0 | 6.0 |
| Plunger deflection | µm | - | 31 | - | - | 40 | - | - | 51 | - | - | 63 | - |
| Overforce10 | N | - | - | 15 | - | - | 30 | - | - | 45 | - | - | 60 |
Notes:
1. All force-related specifications are established using dead weight or compliant force.
2. The range of voltage excitation which can be supplied to the product to produce an output which is proportional to force but due to ratiometricity errors may not remain within the specified performance limits. Non-compensated force sensors, excited by constant current (1.5 mA) instead of voltage, exhibit partial temperature compensation of span.
3. The output signal obtained when the zero force is applied to the sensor. Also known as "null" or "zero".
4. The change in the null resulting from a change in temperature .It is not a predictable error as it can shift up and down from unit to unit. Change in temperature causes the entire output curve to shift up or down along the voltage axis.
5. The algebraic difference between output signals measured at the upper and lower limits of the operating force range. Also known as "full scale output" or simply "span".
6. The maximum deviation of product output from a straight line fitted to output measured over the operating force range. The straight line through a set of points which minimizes the sum of the square of the deviations of each of the points from the straight line.
7. The ratio of output signal change to the corresponding input force change. Sensitivity is determined by computing the ratio of span to the specified operating force range multiplied by the supply voltage being used.
8. The maximum deviation in sensitivity due to changes in temperature over the operating temperature range, relative to sensitivity measured at 25 °C.
9. The maximum difference between output readings when the same force is applied consecutively, under the same operating conditions, with force approaching from the same direction within the operating force range.
10. The maximum force which may safely be applied to the product for it to remain in specification once force is returned to the operating force range. Exposure to higher forces may cause permanent damage to the product. Unless otherwise specified, this applies to all temperatures within the operating temperature range.
Table 2. Environmental Specifications
| Characteristic | Parameter | ||||||||||||
| Operating temperature1 | -40 °C to 85 °C [-40 °F to 185 °F] | ||||||||||||
| Shock | qualification tested to 150 g | ||||||||||||
| Vibration | qualification tested to 0 Hz to 2 kHz, 20 g sine | ||||||||||||
| MCTF2 (Mean Cycles to Failure) | 20 million at 25 °C [77 °F] | ||||||||||||
| Output ratiometric | within supply range | ||||||||||||
Notes:
1. The temperature range over which the product may safely be exposed without excitation or force applied. Under these conditions the product will remain in specification after excursion to any temperatures in this range. Exposure to temperatures beyond this range may cause permanent damage to the product.
2. MCTF is a basic measure of reliability for a non-repairable device. It is the mean number of cycles to maximum operating force over which
a sensor can be expected to operate until failure. The mean value is determined statistically from a probability distribution for failures
based upon test data. MCTF may vary depending on the specific application in which a sensor is utilized.
Table 3. Absolute Maximum Ratings1
| Characteristic | Parameter | |||||||||
| Storage temperature2 | -40 °C to 100 °C [-40 °F to 212 °F] | |||||||||
| Solderability3 | 2.5 s at 315 °C [599 °F] | |||||||||
| ESD | Meets ESD Sensitivity Classification Level 3B | |||||||||
Notes:
1. The extreme limits that the product can withstand without damage to the product.
2. The temperature range over which the product may safely be exposed without excitation or force applied. Under these conditions, the product will remain in the specification after excursions to any temperature in this range. Exposure to temperatures beyond this range may cause permanent damage to the product.
3. The maximum temperature and duration to which the product may be exposed for processing the solder electrical connections.



BNSENS (Nanjing) Sensor Technology Co., Ltd. is located in Nanjing, China. It is a high-tech enterprise specializing in the development, manufacturing and trade of sensor products. The company has brought together a group of outstanding technical experts in various fields such as automation, electronics, machinery and computers. All employees of the company have college degrees or above. It adopts the world-class management and operation model and 6 sigma quality system. At present, the company's main products are pressure, liquid level, flow, current, switches, etc. The company's users are all over the country, and some products have been exported to Japan, South Korea and Southeast Asia.
Since its inception, the company has been based on the technical accumulation and management standards of American sensor giants. It is composed of senior engineers and managers who have served in multinational companies for many years, and has rapidly developed various pressure sensors, transmitters, liquid level, flow meters, pressure switches, digital meters, current sensors, proximity switches and other products. After years of unremitting efforts, it has become one of the leading suppliers in the domestic automation industry. Our pressure transmitters can achieve an accuracy of more than 3/10, 000. The products have been widely used in oil, natural gas, electricity, chemical industry, metallurgy, building materials, food, light industry, environmental protection, aerospace, tap water, municipal and other industries.
It is a sensor science and technology innovation company that masters the core technology of MEMS chips. The company has a research and development center in Minnesota, USA. The leader is Dr. Pan Hanjin, a famous scientist in the sensor industry. Dr. Pan Hanjin has been deeply involved in the sensor industry for more than 20 years and is an expert in the sensor industry.
The company has a number of ASIC chips independently developed, which are widely used in industrial, automotive, home appliance and other markets.
BNSENS (Nanjing) Sensing Technology Co., Ltd. is a strategic partner of Honeywell in China. The two parties proposed a plan of East serving East and jointly developed several sensors specifically for the Chinese market. These sensors will be widely used in intelligent manufacturing, Internet of Things, artificial intelligence, and smart home fields. These sensors include: Magnetic sensors, temperature sensors, humidity sensors, force sensors, fire water pressure sensors, equipment vibration sensors, human body status monitoring sensors, motion sensors, etc.
History of BNSENS Company:
BNSENS is a company focusing on sensors, instruments, and electronic components. We are a young company, founded in 1999, just 25 years old, and we are still growing.
1999: The company's first pressure sensor was launched, mainly for the petroleum and petrochemical industries.
2002: The company expanded its product line and launched temperature sensors
2005: Started producing high-precision pressure sensors for the test and measurement market
2006: Became an official authorized agent of Honeywell
2009: Introduced the Six Sigma management system, and the product qualification rate was greatly improved
2010: Became a supplier of Emerson
2011: We started selling SICK sensors
2014: Introduced the sensor production line from Germany, developed more industrial control sensors, and cooperated with TSMC
2015: Cooperated with Siemens in Vietnam
2017: The factory moved to Nanjing High-tech Zone
2019: Became a national high-tech enterprise in China
2023: We started selling products from Infineon and Rohm
BNSENS, The Future Starts Here.












