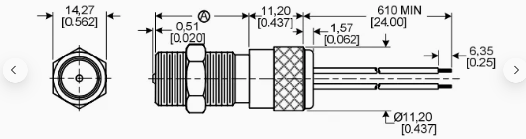
3015HTB
Tech Specifications
| Description | Product Attribute |
|---|---|
| Manufacturer | Honeywell |
| Product Category | Speed Sensors |
| Type | Variable Reluctance Speed (VRS) |
| Output Voltage | 15 V |
| Termination Style | Wire Leads |
| Maximum Operating Temperature | + 205 C |
| Minimum Operating Temperature | - 40 C |
| Mounting Style | Panel |
| Product Type | Speed Sensors |
| Subcategory | Sensors |
Product Description
High Temperature VRS sensors are designed for use in applications where the sensor is exposed to temperatures up to 260 ºC [450 ºF]. Sealed Front-End versions are available for applications where the sensor is exposed to fluids, lubricants or adverse environmental conditions.
Passive VRS (Variable Reluctance Speed) Magnetic Speed sensors are simple, rugged devices that do not require an external voltage source for operation.
A permanent magnet in the sensor establishes a fixed magnetic field. The approach and passing of a ferrous metal target near the sensor's pole piece (sensing area) changes the flux of the magnetic field, dynamically changing its strength. This change in magnetic field strength induces a current into a coil winding which is attached to the output terminals.


BNSENS (Nanjing) Sensor Technology Co., Ltd. is located in Nanjing, China. It is a high-tech enterprise specializing in the development, manufacturing and trade of sensor products. The company has brought together a group of outstanding technical experts in various fields such as automation, electronics, machinery and computers. All employees of the company have college degrees or above. It adopts the world-class management and operation model and 6 sigma quality system. At present, the company's main products are pressure, liquid level, flow, current, switches, etc. The company's users are all over the country, and some products have been exported to Japan, South Korea and Southeast Asia.
Since its inception, the company has been based on the technical accumulation and management standards of American sensor giants. It is composed of senior engineers and managers who have served in multinational companies for many years, and has rapidly developed various pressure sensors, transmitters, liquid level, flow meters, pressure switches, digital meters, current sensors, proximity switches and other products.
After years of unremitting efforts, it has become one of the leading suppliers in the domestic automation industry. Our pressure transmitters can achieve an accuracy of more than 3/10, 000. The products have been widely used in oil, natural gas, electricity, chemical industry, metallurgy, building materials, food, light industry, environmental protection, aerospace, tap water, municipal and other industries.It is a sensor science and technology innovation company that masters the core technology of MEMS chips. The company has a research and development center in Minnesota, USA.
The leader is Dr. Pan Hanjin, a famous scientist in the sensor industry. Dr. Pan Hanjin has been deeply involved in the sensor industry for more than 20 years and is an expert in the sensor industry.The company has a number of ASIC chips independently developed, which are widely used in industrial, automotive, home appliance and other markets.BNSENS (Nanjing) Sensing Technology Co., Ltd. is a strategic partner of Honeywell in China.
The two parties proposed a plan of East serving East and jointly developed several sensors specifically for the Chinese market. These sensors will be widely used in intelligent manufacturing, Internet of Things, artificial intelligence, and smart home fields. These sensors include: Magnetic sensors, temperature sensors, humidity sensors, force sensors, fire water pressure sensors, equipment vibration sensors, human body status monitoring sensors, motion sensors, etc.History of BNSENS Company:BNSENS is a company focusing on sensors, instruments, and electronic components.
We are a young company, founded in 1999, just 25 years old, and we are still growing.1999: The company's first pressure sensor was launched, mainly for the petroleum and petrochemical industries.2002: The company expanded its product line and launched temperature sensors2005: Started producing high-precision pressure sensors for the test and measurement market2006: Became an official authorized agent of Honeywell2009: Introduced the Six Sigma management system, and the product qualification rate was greatly improved2010: Became a supplier of Emerson2011: We started selling SICK sensors2014: Introduced the sensor production line from Germany, developed more industrial control sensors, and cooperated with TSMC2015: Cooperated with Siemens in Vietnam2017: The factory moved to Nanjing High-tech Zone2019: Became a national high-tech enterprise in China2023: We started selling products from Infineon and RohmBNSENS, The Future Starts Here.











